DEVICE: MF HF RADIO
BRAND: NSR
TYPE: NHR-1500
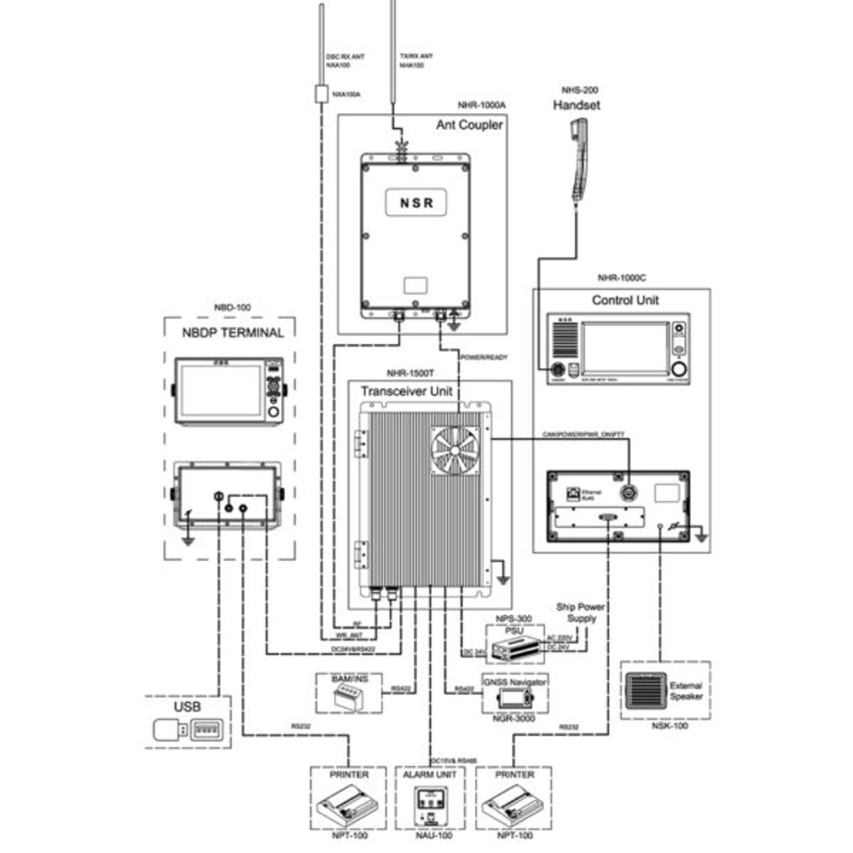
NSR NHR-1500 MF/HF Radiotelephone (GMDSS Class A)
Overview
The NHR-1500 is a rugged, high-performance MF/HF marine SSB radiotelephone engineered for both general and distress communications. This all-in-one unit includes DSC transceiver and watch receiver functionality, making it ideal for GMDSS compliance in sea areas A2, A3, and A4.
Highlights
-
GMDSS-Ready Design: Meets Class A requirements under ITU and IMO for MF/HF DSC operations.
-
Software Defined Radio Core: Enables advanced digital voice processing and flexible signal handling.
-
7″ Touchscreen Display: Offers customizable views, a Night Mode for low-light environments, and quick access via dial or keypad.
-
Diverse Interfaces: Includes LAN, RS-422 interfaces for GNSS, VDR, INS/BAM systems, and optional NBDP terminal support.
-
Flexible Standard Compliance: Adheres to ITU-R M.493-15, IEC navigation standards, and holds DNV MED approvals.
Technical Specifications
-
Frequency Coverage:
-
TX: 1605 – 27,500 kHz
-
RX: 100 – 29,999.99 kHz
-
Channels: Over 300 programmable channels
-
-
Power Output: 150 W PEP
-
Emission Modes: J3E, H3E, A1A, F1B
-
DSC Frequencies Supported: 2187.5, 4207.5, 6312.0, 8414.5, 12577.0, and 16804.5 kHz
-
Interfaces & Control: Touchscreen plus knob control; smart antenna coupler; NBDP compatibility; distress alert support
-
Environmental Specs: Indoor units operate at –15 °C to +55 °C; external components handle –25 °C to +55 °C. Protection ratings: IP22 for control units, IP66 for antenna couplers.
-
Power Requirements: DC 24 V (18–29 V) or AC input depending on configuration
Included
-
Transceiver Unit (NHR-1500T)
-
Control Panel (NHR-1000C)
-
Antenna Coupler (NHR-1000A)
-
Handset (NHS-200)
-
RF Junction Enhancer & Complete Cable Kit
Optional Enhancements:
NBDP terminal, printer, alarm module, external speaker, additional antennas, and power supplies.








